Toyota Corolla Manual de Taller: Modo de interrupción de la comunicación de la ECU de la servodirección

Toyota Corolla Manual de Taller / Fuente de alimentación red / Red / Sistema De ComunicaciÓn Can (con Ecu De Pasarela Central) / Modo de interrupción de la comunicación de la ECU de la servodirección

DESCRIPCIÓN

Elemento detectado

Síntoma

Área afectada

Modo de interrupción de la comunicación de la ECU de la servodirección

Se cumple alguna de las condiciones siguientes:

  • Se indica la interrupción de la comunicación para "Power Steering (EPS)" en la pantalla "Communication Bus Check" del Techstream.

    Haga clic aquí

  • Se emiten los DTC del sistema de comunicación (DTC que comienzan por "U") correspondientes al "Modo de interrupción de la comunicación de la ECU de la servodirección" de la "Tabla de combinación de DTC".

    Haga clic aquí

  • Línea secundaria o conector del conjunto de la ECU de la servodirección
  • Circuito de la fuente de alimentación del conjunto de la ECU de la servodirección
  • Circuito de masa del conjunto de la ECU de la servodirección
  • Conjunto de la ECU de la servodirección

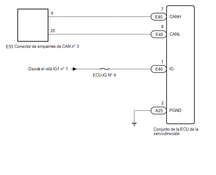
DIAGRAMA DE CONEXIONES

PRECAUCIÓN / AVISO / OBSERVACIÓN

AVISO:

  • Debido a que el orden del diagnóstico es importante para el diagnóstico correcto, asegúrese de comenzar la localización de averías consultando la sección Cómo proceder con la localización de averías cuando se emiten DTC relacionados con el sistema de comunicación CAN.

    Haga clic aquí

  • Antes de medir la resistencia del bus de CAN, gire el interruptor de encendido a la posición OFF y deje el vehículo durante al menos 1 minuto sin utilizar la llave o los interruptores ni abrir o cerrar las puertas. A continuación, desconecte el cable del terminal negativo (-) de la batería y deje el vehículo durante al menos 1 minuto antes de medir la resistencia.
  • Después de apagar el interruptor de encendido, es posible que sea necesario un tiempo de espera antes de desconectar el cable del terminal negativo (-) de la batería. Por lo tanto, asegúrese de leer las notas de advertencia acerca de la desconexión del cable del terminal negativo (-) de la batería antes de continuar con el trabajo.

    Haga clic aquí

  • Tras efectuar las reparaciones, lleve a cabo el procedimiento de comprobación de DTC y confirme que no se vuelvan a emitir los DTC.

    Procedimiento de comprobación de DTC: Coloque el interruptor de encendido en la posición ON y espere al menos 7 segundos y, a continuación, conduzca el vehículo a una velocidad de como mínimo 20 km/h (12 mph) durante al menos 303 segundos.

  • Después de la reparación, lleve a cabo la comprobación del bus de CAN y asegúrese de que se visualicen todas las ECU y todos los sensores conectados al sistema de comunicación CAN.

    Haga clic aquí

  • Inspeccione los fusibles para los circuitos relacionados con este sistema antes de realizar el siguiente procedimiento.

OBSERVACIÓN:

  • Antes de desconectar los conectores relacionados con la inspección, presione cada cuerpo del conductor para comprobar que el conector no está flojo o desconectado.
  • Cuando se desconecte un conector, compruebe que los terminales y el conector no estén agrietados, deformados o corroídos.

PROCEDIMIENTO

1.

INSPECCIONE SI HAY ALGÚN CIRCUITO ABIERTO EN LA LÍNEA DEL BUS DE CAN (LÍNEA SECUNDARIA DEL CONJUNTO DE LA ECU DE LA SERVODIRECCIÓN)

(a) Desconecte el cable del terminal negativo (-) de la batería.

(b) Desconecte el conector E40 del conjunto de la ECU de la servodirección.

(c) Mida la resistencia según los valores de la siguiente tabla.

Resistencia estándar:

Conexión del tester

Estado

Valor especificado

E40-7 (CANH) - E40-8 (CANL)

Cable desconectado del terminal negativo (-) de la batería.

54 a 69 Ω

*a

Vista frontal del conector del mazo de cables

(al conjunto de la ECU de la servodirección)

MAL

REPARE O SUSTITUYA LAS LÍNEAS SECUNDARIAS O EL CONECTOR DE CAN (CONJUNTO DE LA ECU DE LA SERVODIRECCIÓN)

OK

2.

INSPECCIONE EL MAZO DE CABLES Y EL CONECTOR (CIRCUITO DE LA FUENTE DE ALIMENTACIÓN)

(a) Desconecte el conector A25 del conjunto de la ECU de la servodirección.

(b) Mida la resistencia según los valores de la siguiente tabla.

Resistencia estándar:

Conexión del tester

Estado

Valor especificado

A25-2 (PGND) - Masa de la carrocería

Cable desconectado del terminal negativo (-) de la batería.

Inferior a 1 Ω

*a

Vista frontal del conector del mazo de cables

(al conjunto de la ECU de la servodirección)

(c) Conecte otra vez el cable al terminal negativo (-) de la batería.

(d) Mida la tensión según los valores de la siguiente tabla.

Tensión estándar:

Conexión del tester

Estado

Valor especificado

E40-1 (IG) - Masa de la carrocería

Interruptor de encendido en posición ON

11 a 14 V

*a

Vista frontal del conector del mazo de cables

(al conjunto de la ECU de la servodirección)

OK

SUSTITUYA EL CONJUNTO DE LA ECU DE LA SERVODIRECCIÓN

MAL

REPARE O SUSTITUYA EL MAZO DE CABLES O EL CONECTOR (CIRCUITO DE LA FUENTE DE ALIMENTACIÓN)

    Modo de interrupción de la comunicación del amplificador del aire acondicionado

    Modo de interrupción de la comunicación del sensor del ángulo de dirección

    Ver más:

    Toyota Corolla Manual de Taller > Sistema De Control De Estabilidad Del VehÍculo: Lista De Datos / Prueba Activa
    LISTA DE DATOS / PRUEBA ACTIVA LISTA DE DATOS AVISO: En la siguiente tabla, los valores de la columna "Estado normal" son los valores de referencia. No se fíe únicamente de estos valores para determinar si alguna pieza está defectuosa. OBSERVACIÓN: La utilización del Techstream para l ...

    Toyota Corolla Manual del propetario

    Toyota Corolla Manual de Taller

    © 2026 Copyright www.tocores.net
    0.0089