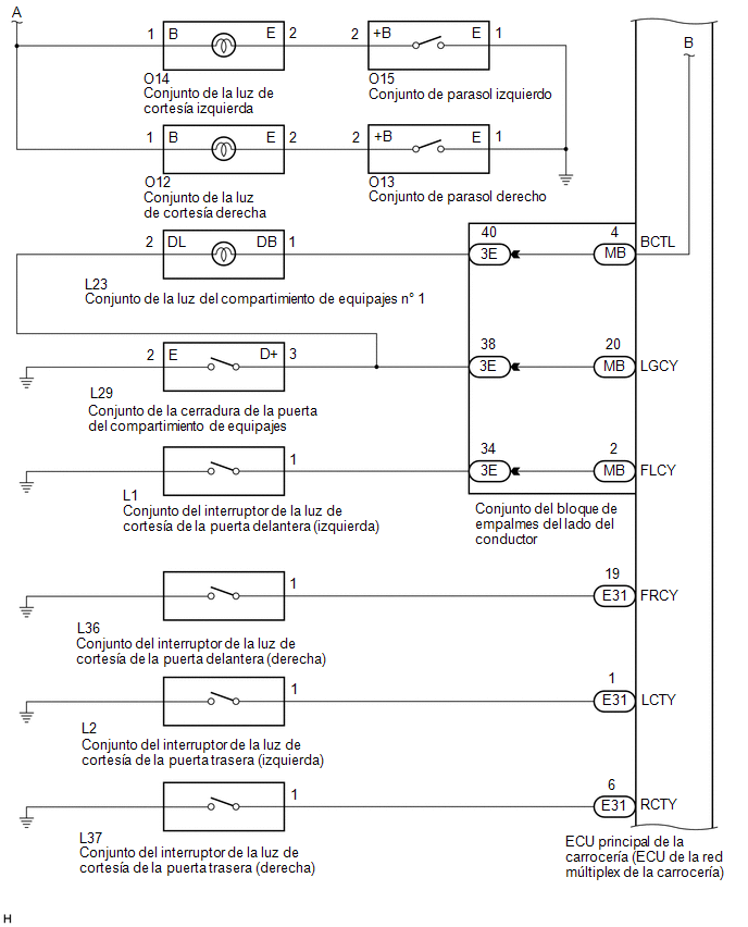
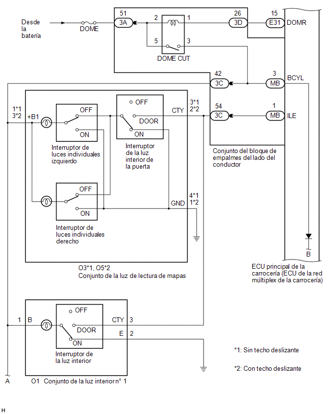
Toyota Corolla Manual de Taller: Diagrama Del Sistema

DIAGRAMA DEL SISTEMA

    UbicaciÓn De Las Piezas

    DescripciÓn Del Sistema

    Ver más:

    Toyota Corolla Manual de Taller > Sistema De Elevalunas ElÉctrico: La función de funcionamiento sin llave es posible aunque no se satisfagan las condiciones de funcionamiento
    DESCRIPCIÓN Cuando se cierran las puertas delanteras, cada conjunto de motor del regulador del elevalunas eléctrico puede controlar el funcionamiento de los elevalunas eléctricos durante aproximadamente 43 segundos después de que el interruptor de encendido pase de ON a OFF mediante la recepció ...

    Toyota Corolla Manual del propetario

    Toyota Corolla Manual de Taller

    © 2026 Copyright www.tocores.net
    0.01