Toyota Corolla Manual de Taller: Anomalía en el indicador de advertencia del cinturón de seguridad del pasajero delantero

DESCRIPCIÓN

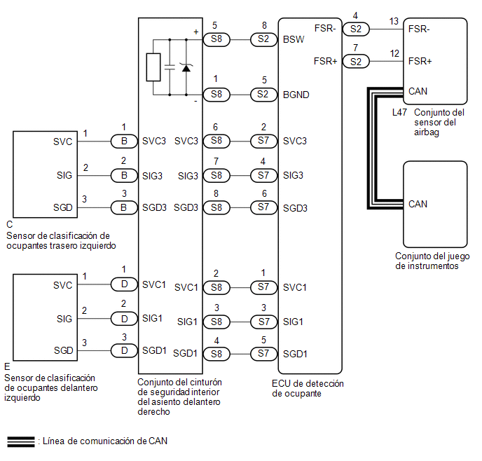
Al girar el interruptor de encendido a ON, la ECU de detección de ocupantes envía señales al conjunto del sensor del airbag para indicar el estado del conjunto del cinturón de seguridad interior del asiento delantero derecho y también si el asiento del pasajero delantero está ocupado. El conjunto del sensor del airbag envía las señales al conjunto del juego de instrumentos a través de la comunicación CAN. El conjunto del juego de instrumentos enciende, se apaga o hace parpadear el indicador de advertencia del cinturón de seguridad en el conjunto del juego de instrumentos de acuerdo con estas señales.

DIAGRAMA DE CONEXIONES

Fabricados por TMMMS

Fabricados por TMMC

PRECAUCIÓN / AVISO / OBSERVACIÓN

AVISO:

El sistema de aviso del cinturón de seguridad (con sistema de clasificación de ocupantes) utiliza el sistema de comunicación CAN. En primer lugar, asegúrese de que no existe ninguna avería en el sistema de comunicaciones CAN. Consulte el apartado Cómo proceder con la localización de averías.

Haga clic aquí

PROCEDIMIENTO

1.

COMPRUEBEN SI SE EMITE UN DTC (SISTEMA DE CLASIFICACIÓN DE OCUPANTES)

(a) Borre los DTC.

Haga clic aquí

Body Electrical > Occupant Detection > Clear DTCs

(b) Compruebe si se emiten DTC.

Haga clic aquí

Body Electrical > Occupant Detection > Trouble Codes

Resultado:

Resultado

Vaya a

No se emite ningún DTC

A

Se emiten códigos DTC

B

B

VAYA AL SISTEMA DE CLASIFICACIÓN DE OCUPANTES

A

2.

COMPRUEBE EL DTC EMITIDO (SISTEMA DE AIRBAG)

(a) Borre los DTC.

Haga clic aquí

Body Electrical > SRS Airbag > Clear DTCs

(b) Compruebe si se emiten DTC.

Haga clic aquí

Body Electrical > SRS Airbag > Trouble Codes

Resultado:

Resultado

Vaya a

No se emite ningún DTC

A

Se emiten códigos DTC

B

B

VAYA AL SISTEMA DE AIRBAG

A

3.

LEA EL VALOR UTILIZANDO EL TECHSTREAM (DETECCIÓN DE OCUPANTES)

(a) Conecte el Techstream al DLC3.

(b) Coloque el interruptor de encendido en posición ON.

(c) Encienda el Techstream.

(d) Acceda a los siguientes menús: Body Electrical / Occupant Detection / Data List.

(e) Consulte la lista de datos siguiendo las indicaciones de la pantalla del Techstream.

Body Electrical > Occupant Detection > Data List

Pantalla del tester

Elemento de medición

Margen

Estado normal

Nota de diagnóstico

Passenger Buckle SW

Interruptor de la hebilla del asiento del pasajero delantero

Unset, Set o NG

Unset: Cinturón de seguridad desabrochado

Set: Cinturón de seguridad abrochado

NG: Datos sin determinar

-

Body Electrical > Occupant Detection > Data List

Pantalla del tester

Passenger Buckle SW

Resultado:

Resultado

Vaya a

Se muestra Unset o Set en el Techstream en función del estado del cinturón de seguridad del pasajero delantero.

A

No se muestra correctamente Unset o Set en el Techstream en función del estado del cinturón de seguridad del pasajero delantero.

B

Se visualiza NG en el Techstream

C

B

SUSTITUYA EL CONJUNTO DEL CINTURÓN DE SEGURIDAD INTERIOR DEL ASIENTO DELANTERO DERECHO

C

REEMPLACE LA ECU DE DETECCIÓN DE OCUPANTE

A

4.

LEA EL VALOR INDICADO EN EL TECHSTREAM (AIRBAG SRS)

(a) Conecte el Techstream al DLC3.

(b) Coloque el interruptor de encendido en posición ON.

(c) Encienda el Techstream.

(d) Acceda a los siguientes menús: Body Electrical / SRS Airbag / Data List.

(e) Consulte la lista de datos siguiendo las indicaciones de la pantalla del Techstream.

Body Electrical > SRS Airbag > Data List

Pantalla del tester

Elemento de medición

Margen

Estado normal

Nota de diagnóstico

Right side Buckle SW

Interruptor de la hebilla derecha

Unset, Set o NG

Unset: Cinturón de seguridad desabrochado

Set: Cinturón de seguridad abrochado

NG: Datos sin determinar

-

Body Electrical > SRS Airbag > Data List

Pantalla del tester

Right side Buckle SW

Resultado:

Resultado

Vaya a

Se muestra Unset o Set en el Techstream en función del estado del cinturón de seguridad del pasajero delantero.

A

  • No se muestra correctamente Unset o Set en el Techstream en función del estado del cinturón de seguridad del pasajero delantero.
  • Se visualiza NG en el Techstream

B

A

INSPECCIONE CON EL MÉTODO DE SIMULACIÓN

B

SUSTITUYA EL CONJUNTO DEL SENSOR DEL AIRBAG

    El indicador de advertencia del cinturón de seguridad del asiento del conductor no funciona

    Avería en el indicador de advertencia del cinturón de seguridad trasero

    Ver más:

    Toyota Corolla Manual de Taller > Sistema De Elevalunas ElÉctrico: El elevalunas eléctrico del lado del pasajero delantero no funciona al accionar el interruptor correspondiente
    DESCRIPCIÓN Cuando el interruptor de encendido está en posición ON, el conjunto del motor del regulador del elevalunas eléctrico (para la puerta del pasajero delantero) se acciona por medio del conjunto del interruptor del regulador del elevalunas eléctrico. DIAGRAMA DE CONEXIONES PRECAUCIÓN / ...

    Toyota Corolla Manual del propetario

    Toyota Corolla Manual de Taller

    © 2025 Copyright www.tocores.net
    0.0091