Toyota Corolla Manual de Taller: Diagrama Del Sistema

DIAGRAMA DEL SISTEMA

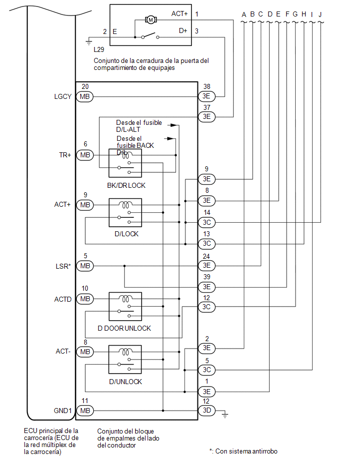
Sistema inalámbrico de cierre centralizado de puertas

Tabla de comunicaciones

Emisor

Receptor

Señal

Tubería

ECU principal de la carrocería

(ECU de la red múltiplex de la carrocería)

Conjunto del juego de instrumentos

Señal de solicitud de la luz de emergencia del sistema inalámbrico de cierre centralizado de puertas

CAN

    UbicaciÓn De Las Piezas

    DescripciÓn Del Sistema

    Ver más:

    Toyota Corolla Manual de Taller > Sistema De La CÁmara De Reconocimiento De Avance: Pérdida de comunicación con el sensor de límite de distancia delantera del control de la velocidad de crucero (U0235,U1104)
    DESCRIPCIÓN La cámara de reconocimiento hacia delante se comunica con el conjunto de la ECU de asistencia a la conducción y conjunto del sensor del radar de onda milimétrica a través de la comunicación CAN. Si se produce un error de comunicación con el conjunto de la ECU de asistencia a la co ...

    Toyota Corolla Manual del propetario

    Toyota Corolla Manual de Taller

    © 2026 Copyright www.tocores.net
    0.0088