Toyota Corolla Manual de Taller: Diagrama Del Sistema

DIAGRAMA DEL SISTEMA

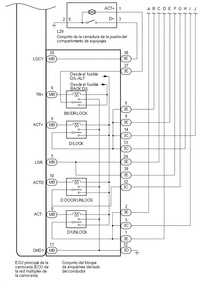
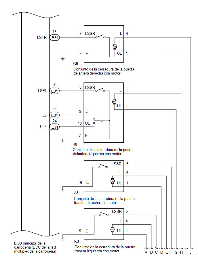
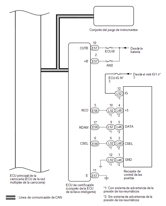
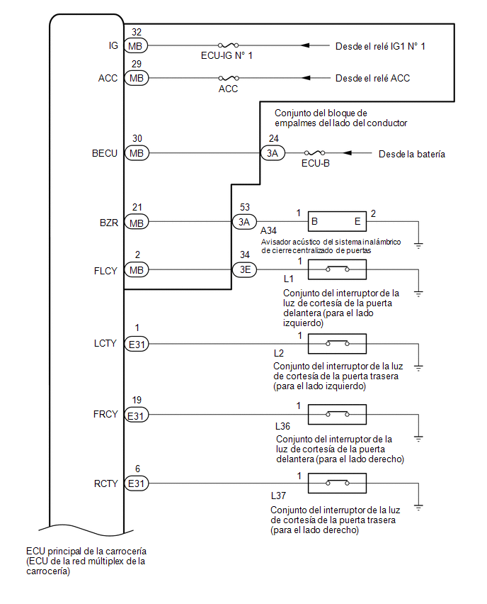
Sistema inalámbrico de cierre centralizado de puertas

Tabla de comunicaciones

Emisor

Receptor

Señal

Tubería

ECU de certificación

(Conjunto de la ECU de la llave inteligente)

ECU principal de la carrocería

(ECU de la red múltiplex de la carrocería)

  • Señal del sistema inalámbrico de bloqueo/desbloqueo de las puertas
  • Señal de solicitud del sonido del avisador acústico del sistema inalámbrico de cierre centralizado de puertas

CAN

ECU principal de la carrocería

(ECU de la red múltiplex de la carrocería)

Conjunto del juego de instrumentos

Señal de solicitud de la luz de emergencia del sistema inalámbrico de cierre centralizado de puertas

CAN

    UbicaciÓn De Las Piezas

    DescripciÓn Del Sistema

    Ver más:

    Toyota Corolla Manual de Taller > Sistema Sfi: Procesador de entrada de control de la velocidad de crucero (P1607)
    DESCRIPCIÓN DE LA SUPERVISIÓN El ECM supervisa en forma continua sus CPU principal y secundaria. Esta autocomprobación garantiza que el ECM funciona correctamente. Si los datos de las CPU son diferentes y se desvían de los estándares, el ECM encenderá el indicador MIL y almacenará este DTC. N ...

    Toyota Corolla Manual del propetario

    Toyota Corolla Manual de Taller

    © 2025 Copyright www.tocores.net
    0.0086