Toyota Corolla Manual de Taller: Circuito del embrague magnético del compresor del aire acondicionado

DESCRIPCIÓN

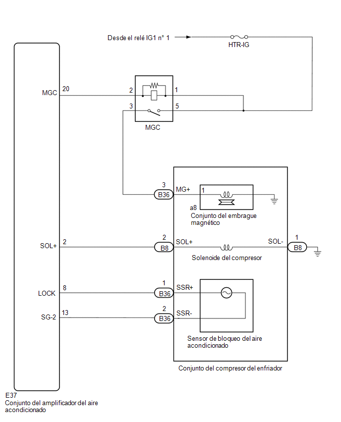
Cuando se enciende el amplificador del aire acondicionado, se emite una señal de accionamiento del embrague magnético desde el terminal MGC del conjunto del amplificador del aire acondicionado. A continuación, se activa el relé MGC para accionar el conjunto del embrague magnético.

DIAGRAMA DE CONEXIONES

PRECAUCIÓN / AVISO / OBSERVACIÓN

AVISO:

  • Las averías de ECM pueden afectar al almacenamiento de este DTC. Por lo tanto, compruebe todos los DTC del "EFI system" y confirme que el sistema funciona con normalidad antes de llevar a cabo la siguiente inspección.

    Haga clic aquí

  • Inspeccione los fusibles para los circuitos relacionados con este sistema antes de realizar el siguiente procedimiento.

PROCEDIMIENTO

1.

INSPECCIONE EL RELÉ MGC

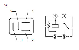
(a) Extraiga el relé MGC.

(b) Mida la resistencia según los valores de la siguiente tabla.

Resistencia estándar:

Conexión del tester

Estado

Valor especificado

3 - 5

No se aplica la tensión de la batería a los terminales 1 y 2

10 kΩ o superior

3 - 5

Tensión de la batería aplicada entre los terminales 1 y 2

Inferior a 1 Ω

*a

Componente no conectado al mazo de cables

(Relé MGC)

MAL

SUSTITUYA EL RELÉ MGC

OK

2.

REVISE EL MAZO DE CABLES Y EL CONECTOR (RELÉ MGC - FUENTE DE ALIMENTACIÓN)

(a) Mida la tensión según los valores de la siguiente tabla.

Tensión estándar:

Conexión del tester

Estado

Valor especificado

Terminal 5 del relé - Masa de la carrocería

Interruptor de encendido desactivado

Inferior a 1 V

Terminal 5 del relé - Masa de la carrocería

Interruptor de encendido en posición ON (Activado)

11 a 14 V

Terminal 1 del relé - Masa de la carrocería

Interruptor de encendido desactivado

Inferior a 1 V

Terminal 1 del relé - Masa de la carrocería

Interruptor de encendido en posición ON (Activado)

11 a 14 V

MAL

REPARE O SUSTITUYA EL MAZO DE CABLES O EL CONECTOR

OK

3.

INSPECCIONE EL MAZO DE CABLES Y EL CONECTOR (RELÉ MGC - CONJUNTO DEL COMPRESOR DEL ENFRIADOR)

(a) Desconecte el conector B36 del conjunto del compresor del enfriador.

(b) Mida la resistencia según los valores de la siguiente tabla.

Resistencia estándar:

Conexión del tester

Estado

Valor especificado

Terminal del relé 3 - B36-3 (MG+)

Siempre

Inferior a 1 Ω

Terminal 3 del relé - Masa de la carrocería

Siempre

10 kΩ o superior

MAL

REPARE O SUSTITUYA EL MAZO DE CABLES O EL CONECTOR

OK

4.

INSPECCIONE EL MAZO DE CABLES Y EL CONECTOR (RELÉ MGC - CONJUNTO DEL AMPLIFICADOR DEL AIRE ACONDICIONADO)

(a) Desconecte el conector E37 del conjunto del amplificador del aire acondicionado.

(b) Mida la resistencia según los valores de la siguiente tabla.

Resistencia estándar:

Conexión del tester

Estado

Valor especificado

Terminal 2 del relé - E37-20 (MGC)

Siempre

Inferior a 1 Ω

Terminal 2 del relé - Masa de la carrocería

Siempre

10 kΩ o superior

MAL

REPARE O SUSTITUYA EL MAZO DE CABLES O EL CONECTOR

OK

5.

REVISE EL CONJUNTO DEL EMBRAGUE MAGNÉTICO

(a) Desconecte el conector B36 del conjunto del compresor del enfriador.

(b) Mida la resistencia según los valores de la siguiente tabla.

*a

Componente no conectado al mazo de cables

(Conjunto del compresor del enfriador)

-

-

Resistencia estándar:

Conexión del tester

Estado

Valor especificado

3 (MG+) - Masa de la carrocería

20°C (68°F)

3.8 a 4.2 Ω

(c) Conecte el cable positivo (+) de la batería al terminal 3 (MG+) y compruebe que se produce lo siguiente: 1) se oye el sonido de funcionamiento del conjunto del embrague magnético y 2) el cubo y el rotor del embrague magnético se bloquean.

OK:

1) se oye el sonido de funcionamiento del conjunto del embrague magnético y 2) el cubo y el rotor del embrague magnético se bloquean.

OK

CONTINÚE CON LA SIGUIENTE ÁREA POSIBLEMENTE AFECTADA, TAL COMO SE MUESTRA EN LA TABLA DE SÍNTOMAS DE PROBLEMAS

MAL

SUSTITUYA EL CONJUNTO DEL EMBRAGUE MAGNÉTICO

    Circuito del motor del soplador

    Circuito del calentador de PTC

    Ver más:

    Toyota Corolla Manual de Taller > Sistema De Limpiaparabrisas Y Lavaparabrisas: CÓmo Proceder A La LocalizaciÓn De AverÍas
    PRECAUCIÓN / AVISO / OBSERVACIÓN OBSERVACIÓN: Siga este procedimiento para localizar las averías del sistema de limpiaparabrisas y lavaparabrisas. PROCEDIMIENTO 1. EL VEHÍCULO ENTRA EN EL TALLER SIGUIENTE 2. ANÁLISIS DEL PROBLEMA DEL CLIENTE Y COMPROBACIÓN DE SÍNTOMAS SIGUIENTE 3. MIDA LA TE ...

    Toyota Corolla Manual del propetario

    Toyota Corolla Manual de Taller

    © 2025 Copyright www.tocores.net
    0.0112