Toyota Corolla Manual de Taller: RelÉ

InspecciÓn En El VehÍculo

INSPECCIÓN EN EL VEHÍCULO

PROCEDIMIENTO

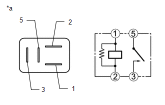
1. INSPECCIONE EL RELÉ HTR RLY

(a) Mida la resistencia según los valores de la siguiente tabla.

Resistencia estándar:

Conexión del tester

Estado

Valor especificado

3 - 5

No se aplica la tensión de la batería a los terminales 1 y 2

10 kΩ o superior

3 - 5

Tensión de la batería aplicada entre los terminales 1 y 2

Inferior a 1 Ω

  • Si el resultado no es el especificado, sustituya el relé HTR RLY.

*a

Componente no conectado al mazo de cables

(Relé HTR RLY)

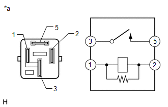
2. INSPECCIONE EL RELÉ DEL CALENTADOR DE PTC

(a) Mida la resistencia según los valores de la siguiente tabla.

(1) Relé PTC n° 1

Resistencia estándar:

Conexión del tester

Estado

Valor especificado

3 - 5

No se aplica la tensión de la batería a los terminales 1 y 2

10 kΩ o superior

3 - 5

Tensión de la batería aplicada entre los terminales 1 y 2

Inferior a 1 Ω

  • Si los resultados no son los especificados, sustituya el relé PTC n° 1.

*a

Componente no conectado al mazo de cables

Relé n° 1 PTC

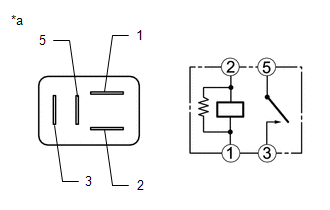
(2) Relé PTC n° 3

Resistencia estándar:

Conexión del tester

Estado

Valor especificado

3 - 5

No se aplica la tensión de la batería a los terminales 1 y 2

10 kΩ o superior

3 - 5

Tensión de la batería aplicada entre los terminales 1 y 2

Inferior a 1 Ω

  • Si los resultados no son los especificados, sustituya el relé PTC n° 3.

*a

Componente no conectado al mazo de cables

Relé n° 3 PTC

    SustituciÓn

    Resistor Del Soplador

    Ver más:

    Toyota Corolla Manual de Taller > Sistema De Aire Acondicionado (para Sistema De Aire Acondicionado Automático): CÓmo Proceder A La LocalizaciÓn De AverÍas
    PRECAUCIÓN / AVISO / OBSERVACIÓN OBSERVACIÓN: Utilice el siguiente procedimiento para localizar las averías del sistema de aire acondicionado (para sistema de aire acondicionado automático). *: Utilice el Techstream. PROCEDIMIENTO 1. EL VEHÍCULO ENTRA EN EL TALLER SIGUIENTE 2. MIDA LA TENSIÓN ...

    Toyota Corolla Manual del propetario

    Toyota Corolla Manual de Taller

    © 2026 Copyright www.tocores.net
    0.0103