Toyota Corolla Manual de Taller: Diagrama Del Sistema

DIAGRAMA DEL SISTEMA

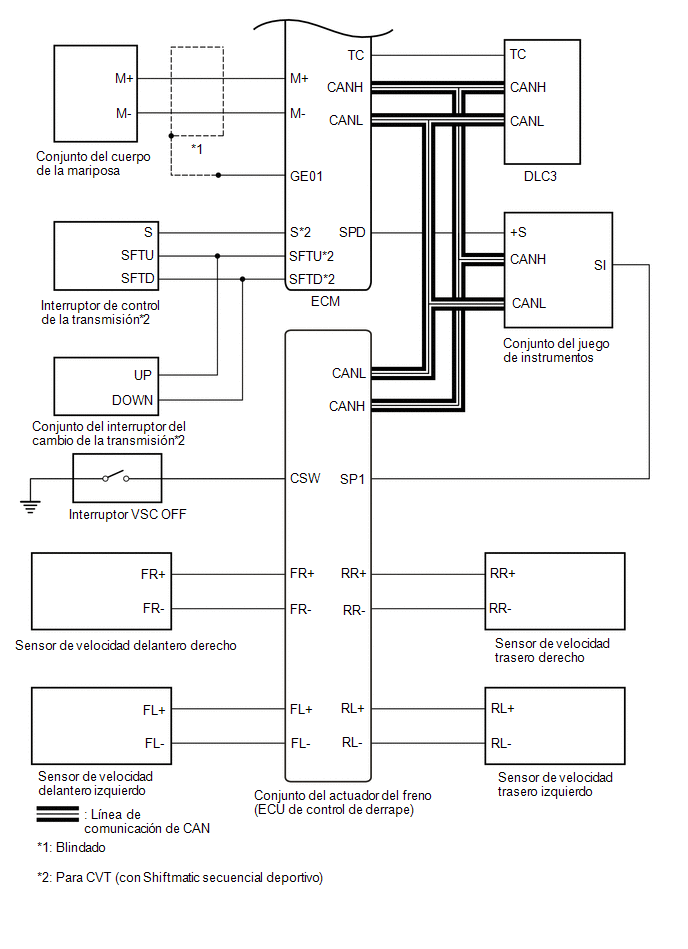
Tabla de comunicaciones

Emisor

Receptor

Señal

Tubería

ECM

Conjunto del juego de instrumentos

(Indicador de control de la velocidad de crucero)

(Indicador SET del control de la velocidad de crucero)

Señal de funcionamiento del indicador SET de control de la velocidad de crucero y del indicador del control de la velocidad de crucero

CAN

ECU de control de derrape

Conjunto del juego de instrumentos

  • Valor integrado de la señal del impulso de velocidad del vehículo
  • Velocidad del vehículo (SP1)
  • Con señal de control del VSC
  • Con señal de control del TRC

CAN

    UbicaciÓn De Las Piezas

    DescripciÓn Del Sistema

    Ver más:

    Toyota Corolla Manual de Taller > Sistema Audiovisual (para Tipo Con Radio Y Pantalla): ComprobaciÓn Del Funcionamiento
    COMPROBACIÓN DEL FUNCIONAMIENTO COMPROBACIÓN DEL INTERRUPTOR DEL VOLANTE Y EL PANEL OBSERVACIÓN: Los interruptores del panel del conjunto del receptor de radio y pantalla y los interruptores del volante se comprueban en el siguiente procedimiento. El dispositivo del vehículo real puede no coinci ...

    Toyota Corolla Manual del propetario

    Toyota Corolla Manual de Taller

    © 2026 Copyright www.tocores.net
    0.008