| PROCEDIMIENTO DE INSPECCIÓN DE CIRCUITOS ELECTRÓNICOS INSPECCIÓN BÁSICA (a) AL MEDIR LA RESISTENCIA DE LOS COMPONENTES ELECTRÓNICOS (1) A menos que se indique lo contrario, todas las mediciones de la resistencia son valores estándar que se toman a una temperatura ambiente de 20°C (68°F). La medición de la resistencia podría ser inexacta si se realizara a temperaturas altas, p.ej., inmediatamente después de utilizar el vehículo. Las mediciones deben realizarse cuando el motor se haya enfriado.   
 (b) MANIPULACIÓN DE LOS CONECTORES (1) Para desenchufar un conector, apriete primero las mitades emparejadas del alojamiento, juntándolas, para liberar el bloqueo, y después apriete la garra de bloqueo y separe el conector. (2) Cuando desenchufe el conector, no tire del mazo de cables. Sujete directamente el conector y sepárelo. (3) Antes de conectar, asegúrese de que el conector no está dañado, deformado o flojo, y de que no falta ningún terminal. (4) Para enchufar un conector, apriételo firmemente hasta que oiga el chasquido que indica que está en su sitio. (5) Si inspecciona un conector con un tester eléctrico, hágalo por la parte trasera (lado del mazo de cables) empleando un minicable de prueba. AVISO: 
 (c) INSPECCIÓN DE LOS CONECTORES   
 (1) Inspección con el conector desconectado: Apriete los conectores para confirmar que están correctamente conectados y cerrados. (2) Inspección con el conector desconectado: Inspeccione tirando ligeramente del mazo de cables desde la parte trasera del conector. Busque terminales sueltos, terminales que falten, engarzados flojos o cables conductores rotos. Inspeccione visualmente si hay corrosión, partículas metálicas o extrañas y agua, o si hay terminales doblados, oxidados, recalentados, contaminados o deformados. (3) Comprobación de la presión de contacto del terminal: Prepare un terminal macho de repuesto. Introdúzcalo en un terminal hembra, y compruebe si la tensión es correcta al introducirlo y después de que hayan encajado completamente. AVISO: Emplee siempre un terminal macho dorado para probar los terminales hembras dorados.   (d) MÉTODO DE REPARACIÓN DEL TERMINAL DEL CONECTOR   
 (1) Si el terminal contuviera materias extrañas, limpie el punto de contacto con aire comprimido o con un trapo. No frote nunca el punto de contacto con papel de lija, ya que levantaría el revestimiento. (2) Si la presión de contacto no es normal, sustituya el terminal hembra. Utilice terminales macho y hembra del mismo tipo, ya sean dorados o plateados. (3) Cambie los terminales dañados, deformados u oxidados. Sustituya el alojamiento si el terminal no encaja en él correctamente. (e) MANIPULACIÓN DEL MAZO DE CABLES   
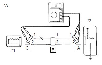
 (1) Si extrae un mazo de cables, inspeccione el cable y la abrazadera antes de proseguir de forma que pueda volver a colocarlos de la misma manera. (2) No tuerza, afloje ni tire demasiado del mazo de cables. (3) No permita nunca que el mazo de cables toque una pieza que esté a alta temperatura, girando, moviéndose, vibrando o con bordes afilados. Evite el contacto con los bordes de los paneles, las puntas de los tornillos y otros objetos puntiagudos. (4) Cuando instale componentes, no deje atrapado el mazo de cables entre ellos. (5) No corte ni rompa la cubierta del mazo de cables. Si está rota, repárela con cinta aislante o sustituya el mazo de cables. LOCALIZACIÓN DE CIRCUITOS ABIERTOS (a) Para ver si hay un circuito abierto en el mazo de cables de la imagen 1, mida la resistencia o la tensión de la manera descrita a continuación:   
 (b) Verifique la resistencia. (1) Desconecte los conectores A y C y mida la resistencia entre sus terminales. Resistencia estándar (imagen 2): 
 OBSERVACIÓN: Mida la resistencia mientras sacude ligeramente el mazo de cables vertical y horizontalmente. 
   
 (2) Desenchufe el conector B y mida la resistencia entre los terminales de los conectores.   
 Resistencia estándar (imagen 3): 
 
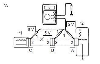
 (c) Mida la tensión.   
 (1) Se puede averiguar si el circuito está abierto comprobando la tensión en un circuito al que se aplica tensión al terminal del conector de la ECU. Con los conectores conectados, mida la tensión entre la masa de la carrocería y los siguientes terminales (en el orden que aparece): 1) terminal 1 del conector A, 2) terminal 1 del conector B y 3) terminal 1 del conector C. Tensión estándar (imagen 4): 
 
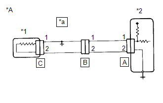
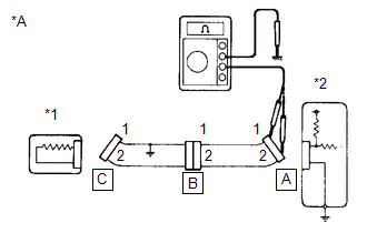
 LOCALIZACIÓN DE CORTOCIRCUITOS (a) Si se produce un cortocircuito a masa en el mazo de cables (imagen 5), localice la sección defectuosa midiendo la resistencia como se indica a continuación:   
 (b) Compruebe la resistencia con la masa de la carrocería.   
 (1) Desconecte los conectores A y C, y mida la resistencia entre ellos. Resistencia estándar (imagen 6): 
 OBSERVACIÓN: Mida la resistencia mientras sacude ligeramente el mazo de cables vertical y horizontalmente. 
 (2) Desenchufe el conector B y mida la resistencia.   
 Resistencia estándar (imagen 7): 
 
 INSPECCIONE Y SUSTITUYA LA ECU AVISO: 
 (a) Inspeccione primero el circuito de masa de la ECU. Si hubiera algún fallo, repárelo. Si el circuito está en buen estado, el fallo podría estar en la ECU. Sustituya provisionalmente la ECU por otra en buen estado y vea si se repiten los síntomas del problema. Si desaparecen los síntomas, sustituya la ECU original. (1) Mida la resistencia entre el terminal de masa de la ECU y la masa de la carrocería.   
 Resistencia estándar: Inferior a 1 Ω (2) Desconecte el conector de la ECU. Inspeccione los terminales de masa (en la ECU y en el mazo de cables) para detectar terminales doblados, corrosión o partículas extrañas. Por último, compruebe la presión de contacto de los terminales hembra.   
 | 
Toyota Corolla Manual de Taller > Combustible Para 2zr-fae: Ecu De La Bomba De Combustible
    ComponentesCOMPONENTES ILUSTRACIÓN *1 CONJUNTO DE LA ECU DE CONTROL DE LA BOMBA DE COMBUSTIBLE *2 PLACA DE ACABADO DEL PISO TRASERO *3 CUBIERTA DE LA RUEDA DE REPUESTO *4 CONJUNTO DE LA CUBIERTA IZQUIERDA DE LA GUARNICIÓN DEL COMPARTIMIENTO DE EQUIPAJES N*m (kgf*cm, lbf*pi.): Par de apriete espec ...