Toyota Corolla Manual de Taller: Hilo DesempaÑador De La Ventanilla

InspecciÓn En El VehÍculo

INSPECCIÓN EN EL VEHÍCULO

PROCEDIMIENTO

1. COMPRUEBE EL FUNCIONAMIENTO DEL DESEMPAÑADOR DE LA LUNETA TRASERA

(a) Cuando el interruptor de encendido está en ON y el interruptor del desempañador de la luneta trasera está pulsado, compruebe si el sistema del desempañador de la luneta funciona.

2. INSPECCIONE EL CRISTAL DE LA LUNETA TRASERA (CABLE DEL DESEMPAÑADOR DE LA LUNETA TRASERA)

AVISO:

  • Cuando limpie el cristal, utilice un paño seco y suave a lo largo del hilo. Tenga cuidado de no dañar el cable.
  • No emplee ni detergentes ni productos de limpieza para cristales que contengan componentes abrasivos.
  • Cuando mida la tensión, envuelva la punta de la sonda de prueba negativa con papel de aluminio y apriete con el dedo el papel contra el hilo, como se indica en la ilustración.

(a) Coloque el interruptor de encendido en posición ON.

*1

Cable del desempañador de la luneta trasera

*a

Sonda de prueba

*b

Papel de aluminio

(b) Conecte el interruptor del desempañador de la luneta trasera.

(c) Mida la tensión en el centro de cada cable desempañador de la luneta trasera para comprobar el hilo como se indica en la ilustración.

Resultado:

Tensión

Criterios

4 a 6 V

El hilo no está roto

11 a 14 V

El hilo está roto entre el centro y el extremo del lado de masa

Inferior a 1 V

El hilo está roto entre el centro y el extremo del lado de la batería

OBSERVACIÓN:

Si la tensión es de 11 a 14 V, el cable podría estar roto entre el centro y el extremo del cable del lado de masa. Si la tensión es inferior a 1 V, el cable podría estar roto entre el centro y el extremo del cable del lado de la batería.

*a

Tira de papel de aluminio

*b

Centro del hilo

(d) Coloque el cable positivo (+) del voltímetro contra el cable desempañador de la luneta trasera del lado de la batería.

*a

11 a 14 V

*b

Inferior a 1 V

*c

Lado de toma de tierra

*d

Lado de la batería

*e

Tira de papel de aluminio

*f

Cable roto

(e) Coloque el cable negativo (-) del voltímetro con la tira de papel de aluminio contra el cable de la toma de tierra.

(f) Deslice el cable positivo (+) del lado de la batería hacia la toma de tierra. El punto en que la tensión disminuye por debajo de 1 V desde 11 hasta 14 V, es el lugar donde el hilo desempañador de la luneta trasera está roto.

OBSERVACIÓN:

Si el desempañador de la luneta trasera no está roto, el voltímetro debe indicar 11 a 14 V en el lado de la batería. Cuando el cable positivo (+) se desplaza al lado de masa, la tensión gradualmente desciende por debajo de 1 V.

ReparaciÓn

REPARACIÓN

PROCEDIMIENTO

1. REPARE EL CRISTAL DE LA LUNETA TRASERA (CABLE DEL DESEMPAÑADOR DE LA LUNETA TRASERA)

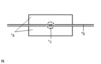
*a

Cinta adhesiva protectora

*b

Cable roto

*c

Punto de la reparación

(a) Limpie las puntas rotas del hilo con producto limpiador de grasa, cera y silicona.

(b) Coloque cinta adhesiva protectora a lo largo de ambos lados del hilo.

(c) Mezcle bien el agente de reparación (pasta Dupont n° 4817 o producto equivalente).

(d) Aplique al hilo una pequeña cantidad del producto con un pincel de punta fina.

(e) Después de unos minutos, quite la cinta adhesiva protectora.

AVISO:

No utilice el desempañador de la luneta trasera durante al menos 24 horas después de realizar la reparación.

    InstalaciÓn

    Interruptor Del Dispositivo Antihielo Del Parabrisas

    Ver más:

    Toyota Corolla Manual de Taller > GuarniciÓn / Paneles Exteriores: Moldura Del Acabado Lateral Del Vierteaguas Del Techo
    ComponentesCOMPONENTES ILUSTRACIÓN *1 MOLDURA CENTRAL DEL ACABADO LATERAL DEL VIERTEAGUAS DEL TECHO *2 CLIP DE LA MOLDURA DEL ACABADO LATERAL DEL VIERTEAGUAS DEL TECHO N° 1 ● Pieza no reutilizable - - ExtracciÓnEXTRACCIÓN PRECAUCIÓN / AVISO / OBSERVACIÓN OBSERVACIÓN: Siga el mismo procedim ...

    Toyota Corolla Manual del propetario

    Toyota Corolla Manual de Taller

    © 2025 Copyright www.tocores.net
    0.0092