Toyota Corolla Manual de Taller: Diagrama Del Sistema

DIAGRAMA DEL SISTEMA

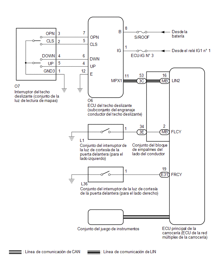
Tabla de comunicaciones

Emisor

Receptor

Señal

Tubería

ECU principal de la carrocería (ECU de la red múltiplex de la carrocería)

ECU del techo deslizante (subconjunto del engranaje conductor del techo deslizante)

  • Señal de permiso de funcionamiento del techo deslizante
  • Señal IG
  • Señal del conjunto del interruptor de la luz de cortesía de la puerta delantera
  • Señal de velocidad del vehículo

LIN

ECU del techo deslizante (subconjunto del engranaje conductor del techo deslizante)

ECU principal de la carrocería (ECU de la red múltiplex de la carrocería)

Señal de posición del cristal del techo deslizante

LIN

Conjunto del juego de instrumentos

ECU principal de la carrocería (ECU de la red múltiplex de la carrocería)

Señal de velocidad del vehículo

CAN

ECU principal de la carrocería (ECU de la red múltiplex de la carrocería)

Conjunto del juego de instrumentos

Señal de solicitud de advertencia de techo deslizante abierto

CAN

    UbicaciÓn De Las Piezas

    DescripciÓn Del Sistema

    Ver más:

    Toyota Corolla Manual de Taller > Sistema De Control De Estabilidad Del VehÍculo: Avería en la señal de salida del sensor de velocidad trasero derecho (C1415,C1416)
    DESCRIPCIÓN Consulte los DTC C1403 y C1404. Haga clic aquí N° de DTC Elemento detectado Condición de detección del DTC Área afectada C1415 Avería en la señal de salida del sensor de velocidad trasero derecho Se detecta cualquiera de las situaciones siguientes: Se produce un circuito abierto ...

    Toyota Corolla Manual del propetario

    Toyota Corolla Manual de Taller

    © 2025 Copyright www.tocores.net
    0.0117