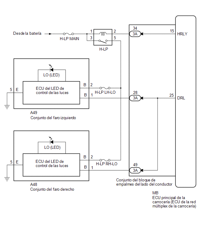
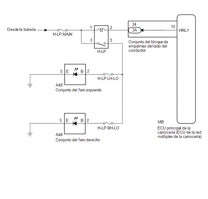
| DESCRIPCIÓN La ECU principal de la carrocería (ECU de la red múltiplex de la carrocería) controla las luces de cruce. DIAGRAMA DE CONEXIONES Para faros de un solo haz   Para faro de haz doble   PRECAUCIÓN / AVISO / OBSERVACIÓN AVISO: Inspeccione los fusibles para los circuitos relacionados con este sistema antes de realizar el siguiente procedimiento. PROCEDIMIENTO 
 (a) Conecte el Techstream al DLC3. (b) Coloque el interruptor de encendido en posición ON. (c) Encienda el Techstream. (d) Acceda a los siguientes menús: Body Electrical / Main Body / Active Test. (e) Compruebe que el relé de los faros funcione.Body Electrical > Main Body > Active Test 
 
 OK: El relé de los faros funciona. (Las luces de cruce se encienden con el brillo apropiado). 
 
 
 (a) Extraiga el relé H-LP del conjunto del bloque de relés y bloque de empalmes del compartimiento del motor. 
 
 
 
 (a) Mida la tensión según los valores de la siguiente tabla. Tensión estándar: 
 
 
 
 (a) Desconecte el conector A49 del conjunto del faro izquierdo. (b) Desconecte el conector A48 del conjunto del faro derecho. (c) Mida la resistencia según los valores de la siguiente tabla. Resistencia estándar: 
 
 
 
 (a) Desconecte el conector 3A del conjunto del bloque de empalmes del lado del conductor. (b) Mida la resistencia según los valores de la siguiente tabla. Resistencia estándar: 
 
 
 
 (a) Extraiga el conjunto del bloque de empalmes del lado del conductor. Haga clic aquí  (b) Extraiga la ECU principal de la carrocería (ECU de la red múltiplex de la carrocería) del conjunto del bloque de empalmes del lado del conductor. (c) Mida la resistencia según los valores de la siguiente tabla.   
 Resistencia estándar: 
 
 
 | 
Toyota Corolla Manual de Taller > Sistema De ServodirecciÓn: Sensor de par 1 (C1511-C1514,C1517)
   DESCRIPCIÓN El sensor del par de apriete convierte el par de apriete de giro recibido del volante en señales eléctricas y las envía al conjunto de la ECU de la servodirección. N° de DTC Elemento detectado Condición de detección del DTC Área afectada Indicación de advertencia Vuelve al esta ...