Toyota Corolla Manual de Taller: Diagrama Del Sistema

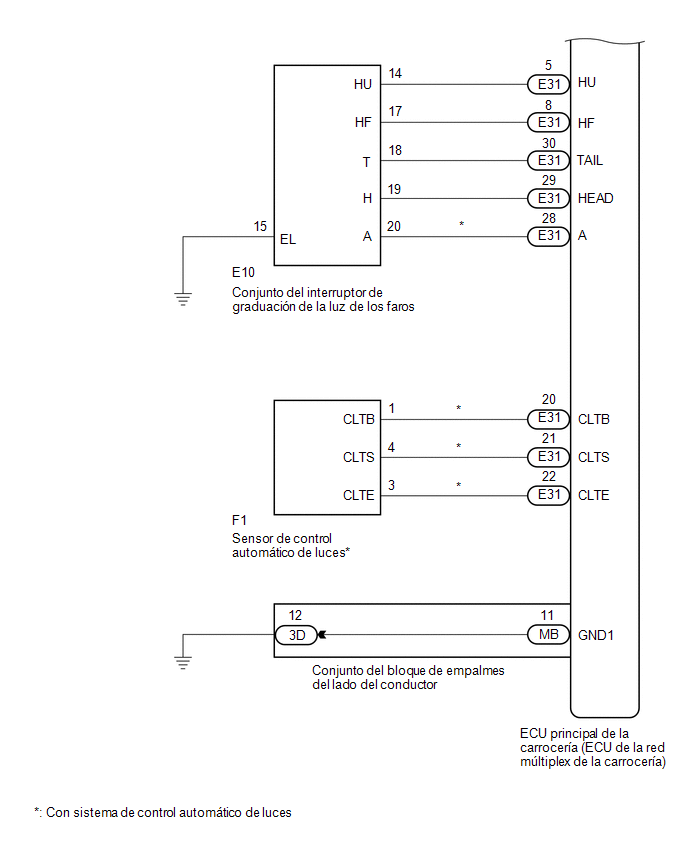
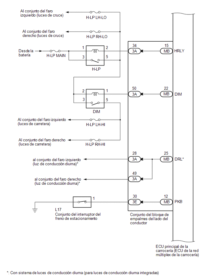
DIAGRAMA DEL SISTEMA

    UbicaciÓn De Las Piezas

    DescripciÓn Del Sistema

    Ver más:

    Toyota Corolla Manual de Taller > Sistema De Elevalunas ElÉctrico: La función de subida/bajada automática (AUTO UP / DOWN) del elevalunas eléctrico del lado del conductor no funciona con el interruptor maestro del elevalunas eléctrico
    DESCRIPCIÓN Si las funciones de subida y bajada manuales funcionan con normalidad pero las funciones de subida y bajada automáticas no, es posible que el modo a prueba de fallos no funcione. Si no se ha inicializado el elevalunas eléctrico, las funciones de subida y bajada automática no funciona ...

    Toyota Corolla Manual del propetario

    Toyota Corolla Manual de Taller

    © 2026 Copyright www.tocores.net
    0.0078